为您提供企业级互联芯片解决方案

具有中断输出的8路I2C和SMBus GPIO扩展器
I2C/SMBus转8路GPIO
支持0至400kHz总线频率,SDA/SCL输入端的噪声滤波器
支持低有效中断输出,总线上可同时连接8个该芯片
工作温度:-40℃~85℃
封装:TSSOP16
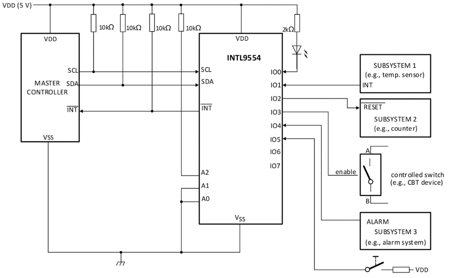
INTL9554是一款16引脚器件,可为两线双向I2C总线(或SMBus)提供8位通用并行输入和输出扩展。该器件的工作电源电压范围为1.65V至5.5V。INTL9554的功能包括当输入端口状态发生变化时,在INT引脚上生成中断。硬件可选地址引脚A0、A1和A2,最多允许8个INTL9554器件位于同一I2C总线上。

应用框图
服务器
存储阵列
交换机
路由器
Copyright © 2019-2026 成都米兰·milan电子科技股份有限公司 版权所有 备案编号: 蜀ICP备2022009451号 川公网安备 51019002004893号


